Станислав Горобченко - Курс «Применение трубопроводной арматуры». Модуль «Применение поворотной арматуры в металлургии»
- Название:Курс «Применение трубопроводной арматуры». Модуль «Применение поворотной арматуры в металлургии»
- Автор:
- Жанр:
- Издательство:неизвестно
- Год:2020
- ISBN:нет данных
- Рейтинг:
- Избранное:Добавить в избранное
-
Отзывы:
-
Ваша оценка:
Станислав Горобченко - Курс «Применение трубопроводной арматуры». Модуль «Применение поворотной арматуры в металлургии» краткое содержание
Курс «Применение трубопроводной арматуры». Модуль «Применение поворотной арматуры в металлургии» - читать онлайн бесплатно ознакомительный отрывок
Интервал:
Закладка:
PE. Блокировочный клапан элемента давления –210II36TT (600#), размер обычно от ¼ дюйма до 1 дюйма
3.1.4. Клапаны дегазации
Схема установки арматуры в устройствах дегазации показана на рис.3.5.

Рис. 3.5. Схема установки арматуры в устройствах дегазации [3]
Технологический процесс
Дегазация – это способ, применяемый в процессе производства
стали для удаления газов (водорода, кислорода и азота), которые поглощаются жидкой сталью из атмосферы и из составляющих ее компонентов сырья.
Номер модели и описание:
A. 1/4 дюйма 351
B. 3/4 дюйма 351
C. 1 дюйма 351
D. 1/2 дюйма 9FB2236XT / VPVL
E. 2 дюйма 7150 31-2236XT W/VPVL
F. 1/2 дюйма 351
3.1.5. Клапаны охлаждения роликов МНЛЗ
Схема установки арматуры в системах охлаждения роликов МНЛЗ показана на рис.3.6.

Рис. 3.6. Схема установки арматуры в системах охлаждения роликов МНЛЗ [3]
Технологический процесс
При непрерывной разливке стали расплавленная сталь превращается в ленты формованной стали.
Номер модели и описание:
A. Клапан регулирования расхода – Клапан Wafer sphere размером 6 дюймов с приводом VPVL и непосредственно установленным соленоидом
B. Устройство выборки мертвого хода размером 3/8 дюйма
C. Клапан Wafer sphere
D. Клапан регулирования потока – Клапан Wafer sphere размером 6 дюймов с приводом VPVL и непосредственно установленным соленоидом
E. Клапан выборки мертвого хода размером 1 дюйм
F. Клапан выборки мертвого хода размером 2 дюйма
G. Клапан выборки мертвого хода размером 2 дюйма
H. Клапан выборки мертвого хода размером 2 дюйма
I. Клапан выборки мертвого хода размером 1/2 дюйма.
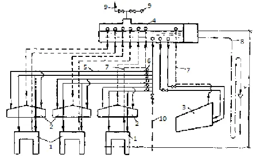
3.1.6. Клапаны регулирования испарительного охлаждения
Схема установки арматуры для регулирования испарительного охлаждения показана на рис.3.7.

Рис. 3.7. Схема установки арматуры для регулирования испарительного охлаждения [3]
1, 2, 3 -охлаждаемые детали: 4 – бак-сепаратор пара; 5 – система питающих труб, 6 – регулировочные вентили, 7 – система труб, отводящих пароводяную эмульсию; 8 – коллектор пара: 9 – выпуск пара в атмосферу; 10- дозатор и – подвод добавочной воды
Технологический процесс
При испарительном охлаждении тепло от нагретых элементов печи отводится водой, нагревающейся до образования пароводяной эмульсии. При этом используется скрытая теплота парообразования, т.е. тепло, отбираемое охлаждающей водой, затрачивается на ее испарение. В холодильники печи подается вода, освобожденная от солей жесткости и лишенная коррозионных свойств. Получаемый пар используется на технологические нужды производства.
КОРРОЗИОННОСТОЙКАЯ АРМАТУРА В ПРОЦЕССАХ МЕТАЛЛУРГИИ
ПРОИЗВОДСТВО ЛЕГИРОВАННОЙ СТАЛИ
С поверхности горячекатаной полосы окалина удаляется путем непрерывного или периодического травления растворами серной или соляной кислоты. После травления полоса проходит нейтрализацию щелочным раствором, затем горячей водой. Травильный раствор подогревается паром до 80-90 оС. Отсасываемый из травильного отделения вентиляционный воздух, содержит 2,5-2,7г\м 2паров соляной кислоты.
3.2. Цветная металлургия
Кроме рассмотренных случаев, применение поворотных клапанов в металлургии имеет свои особенности. В частности, количество сред, обладающих коррозионными и абразивными свойствами в них значительно выше, чем в черной металлургии. Значительно выше количество пульп, суспензий, шламов. Агрессивность сред и стойкость материалов современной поворотной арматуры Jamesbury приведена в приложении.
Для применения в условиях агрессивных пульп и суспензий применяются как специальная, так и модифицированная арматура. Для простоты свойства пульп и суспензий необходимо разделить на несколько подвидов:
– Коррозионные среды без абразивов (например, Электролиты)
– Коррозионные среды с мягкими абразивами
– Коррозионные среды с твердыми абразивами
– Нейтральные среды с абразивами.
Поворотные клапаны широко используются для 1 и 2 групп, где воздействие на клапан и находящийся под постоянным воздействием среды затвор является минимальным.
Основным фактором, ограничивающим применение и срок службы арматуры в условиях коррозионного воздействия, является стойкость материала арматуры. Задача осложняется тем, что в металлургии химически активные среды часто содержат абразивы. Так, например, значительной абразивностью обладают отработанные электролиты никелевой промышленности.
Для работы в условиях агрессивных сред применяют наиболее коррозионно-устойчивые материалы, в частности титановые сплавы. Они хорошо стоят в условиях серной кислоты, где их стойкость выше по отношению к нержавеющей стали в 15-25 раза. Учитывая высокую стоимость и больший вес титановых задвижек, они часто заменяются титановыми поворотными заслонками.
3.2.1. Применение поворотной арматуры в производстве алюминия
Специфические среды глиноземного производства составляют пульпы, шламы и суспензии с высокой щелочностью и абразивностью и склонностью к образованию на мокрых поверхностях твердых отложений, поскольку алюминаты способны разлагаться с образованием нерастворимых соединений, таких как гидроокиси и алюмосиликаты. Плотность рабочих сред составляет 1300-1700кг/м 3. Температура – от 80 до 300 оС и рабочее давление 0,8-12МПа.
Основная часть аппаратов включена в непрерывный многозвенный технологический процесс, работающий круглосуточно. В таких условиях ненадежная работа арматуры приводит к большим непредвиденным остановам и потерям. Основные среды глиноземного производства приведены в табл. 3.1.
Табл. 3.2. Рабочие среды глиноземного производства

*окончательный выбор определяется расчетом.
Используется арматура диам 100-400мм, с обычным сроком использования на пульпах не более 6 мес и на чистых средах до 5-6 лет.
3.2.2. Применение поворотной арматуры в производстве никеля
ОБЩИЕ ХАРАКТЕРИСТИКИ ПРОИЗВОДСТВА НИКЕЛЯ
В настоящее время в промышленности применяется до 3000 сплавов никеля с различными металлами. Наибольшее потребление никеля составляют жаропрочные и нержавеющие стали – до 30-50%, конструкционные стали 10-15%. сплавы на никелевой основе 16-20%, гальванические покрытия и никелирование 10-18%, чугунное и стальное литье, литые жаропрочные и немагнитные сплавы –10-12%, прочее, посуда, катализаторы, электроника и др. 8-10%. В настоящее время перерабатываются 2 основных типа руд, различающиеся по химическому составу и свойствам.
Читать дальшеИнтервал:
Закладка: