Александр Марков - Путешествия к Луне
- Название:Путешествия к Луне
- Автор:
- Жанр:
- Издательство:«Физико–математическая литература» МАИК «Наука/Интерпериодика»
- Год:2009
- Город:Москва
- ISBN:978-5-9221-1105-8
- Рейтинг:
- Избранное:Добавить в избранное
-
Отзывы:
-
Ваша оценка:
Александр Марков - Путешествия к Луне краткое содержание
Книга рассказывает о Луне: о ее наблюдениях с помощью телескопа, об изучении ее поверхности и недр автоматическими аппаратами и о пилотируемых экспедициях астронавтов по программе «Аполлон». Приведены исторические и научные данные о Луне, фотографии и карты ее поверхности, описание космических аппаратов и детальный рассказ об экспедициях. Обсуждаются возможности изучения Луны научными и любительскими средствами, перспективы ее освоения. Книга предназначена тем, кто интересуется космическими исследованиями, приступает к самостоятельным астрономическим наблюдениям или увлечен историей техники и межпланетных полетов.
На лицевой стороне переплета: ракета «Сатурн-5» перед своим первым стартом. Раннее утро 9 ноября 1967 г. Готовится беспилотный запуск «Аполлона-4» на околоземную орбиту.
На последней стороне переплета: фото убывающей Луны, полученное 15 января 1999 г. с помощью 67–мегапиксельной камеры, установленной на 2,2–метровом телескопе Европейской южной обсерватории в Чили (ESO Press Release 02/99. http://www.eso.org/public/outreach/press‑rel/pr-1999/pr-02–99.html).
На переднем форзаце: вид Земли с орбиты. Снимок выполнен экипажем «Аполлона-11» в начале лунной экспедиции.
На заднем форзаце: панорама Луны, восходящая Земля и командный модуль «Аполлона-16». Снимок сделан с посадочного модуля после разделения.
Путешествия к Луне - читать онлайн бесплатно полную версию (весь текст целиком)
Интервал:
Закладка:
108:02. Дооснащение уже надетых на астронавтов скафандров снаряжением для EVA идет снизу вверх: лунные ботинки (slippers), ранцевые системы (PC) жизнеобеспечения, шлемы — колпаки и специальные лунные перчатки из тканого стального материала с резиновыми «наперстками» на каждом пальце. Затем скафандры герметизируются, и включаются индивидуальные СЖО.

Рис. 6.35. Тот самый «маленький шаг» (телепередача).
108:21. Астронавты проверяют готовность водяного охлаждения скафандра к включению (охлаждение начинает полноценно функционировать только в полном вакууме, после разгерметизации кабины).
Армстронг: «Моя антенна скребет о крышу. Мы приступаем к разгерметизации кабины». Давление во взлетной ступени начинает падать.
108:22. Олдрин в шутку замечает, что они выйдут на свидание с Селеной небритыми.
108:42. Астронавты завершают проверку всех систем LM и «зачищают» модуль: все ненужные свободные предметы запихивают в пристенные ящички в «коридоре» LM.
108:53. Проверяют аварийные СЖО и приступают к открытию выходного люка.
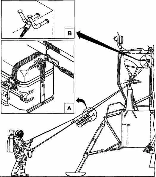
109:07:05. Люк открыт. Нил продвинулся к выходу. Базз подготовил сумку с фотокамерой, тефлоновыми пакетами — контейнерами для образцов и маленький «сачок» с ручкой. Сумка подвешивается карабинами к спускаемому за борт «лунному конвейеру оборудования» (Lunar Equipment Conveyor, LEC), который сами астронавты называют «бельевой веревкой». Это длинная петля из ремня, пропущенного через ролик в кабине. Астронавт натягивает ее после выхода из LM и, перебирая руками, создает «конвейерную ленту», с помощью которой можно (теоретически) втягивать груз в LM или спускать его вниз.
109:15. Нил на четвереньках, ноги уже снаружи, а голова и плечи еще в LM. Базз подает ему сумку, Нил кладет ее на площадку за люком снаружи.
109:19. Нил на наружной площадке у люка.
109:20. Тянет за кольцо замка, открывающего наружный отсек хранения модульного оборудования (MESA); отсек откидывается — раскрывается, включается находящаяся в нем черно — белая телекамера, начинается трансляция выхода астронавтов на Луну (первые 30 секунд — вверх ногами).

Рис. 6.36. Lunar Equipment Conveyor (LEC) — это капроновый ремень, натягиваемый астронавтами из кабины к поверхности. К нему карабинами подвешивается груз и перемещается в нужном направлении (альпинисты с помощью подобного устройства переправляют себя и грузы через ущелья).
С момента открытия выходного люка до первого шага по Луне пройдет около получаса. Жена Армстронга будет впоследствии подшучивать над мужем: «Он тянул время, так как не придумал еще, что же он скажет, ступив на Луну».
На площадке Армстронг осматривается — первая ступенька трапа кажется ему «несколько разрушенной, но пригодной для использования». От нижней ступеньки до грунта 76 см; планировалось, что LM прилунится с некоторой вертикальной скоростью, и посадочные стойки укоротятся от удара, но Армстронг выполнил абсолютно мягкую посадку. Поэтому, спустившись до конца трапа, дальше он должен был спрыгивать на тарельчатую опору передней стойки. Выбирался он из люка по площадке к трапу около 10 минут; по трапу он двигался как кошка, которая с сухого крыльца спускается на мокрую траву.
109:21. «Я стою на трапе. Потребуется небольшой прыжок… Я собираюсь спуститься…» Следующие 4 минуты удивительно напоминают первые шаги ребенка, впервые вставшего на ноги. Посудите сами…
На последней ступеньке раздумывал 1 минуту 9 секунд, затем крайне осторожно, «на руках» (держась за вертикальные планки трапа), скользя бедрами по последней перекладине, 10 секунд спускал тело вниз (словно с дерева слезал, обнимая ствол) и поставил ноги на тарельчатую опору стойки. Замирает на 5 секунд и, отталкиваясь ногами от тарельчатой опоры вверх, испытывает возможность возвращения назад. Но прыжок был явно слабым, и астронавт, дотягивая себя руками, только с трех дожимов (9 секунд) с трудом попал ступнями на нижнюю планку трапа. Еще 9 секунд переводит дыхание и уже смело спрыгивает с легким горизонтальным толчком от трапа руками, не отпуская вертикальные планки трапа, а скользя по ним кистями рук. Через 1,5 секунды плавный (слабая гравитация!) соскок уже уверенно заканчивается все на той же тарельчатой опоре стойки LM.
Около минуты он еще держится за трап, затем отрывает левую руку и поворачивается лицом к телекамере. Чуть больше минуты смотрит на почву у тарельчатой опоры и первый раз касается ее носком ботинка. Еще через 1,5 минуты первый раз наступает на лунный грунт одной ногой, затем возвращает ногу на опору. Делает это еще и еще, все с большим нажимом в течение 1 минуты 12 секунд. Пятисекундная пауза, и Нил сходит с опоры на грунт обеими ногами. Но почти сразу же хватается руками за горизонтальную распорку стойки и еще 15 секунд припрыгивает, как бы утаптывая почву под собой. Наконец отрывается от «маминой ручки» и начинает двигаться по Луне «на своих двоих».
109:24:20. Армстронг окончательно убедился, что Луна его держит, и произнес исторические слова: «Один маленький шаг человека — гигантский скачок человечества».
В Москве было ранее утро 21 июля, 05:56. Увы, почти все отечественные публикации об «Аполлоне-11» повторяют однажды запущенную лживую сенсацию — «только СССР и Китай не уважили родное население и не показали прямые телетрансляции выхода американского астронавта на Луну». Это неправда. Показали, только не в 5:56 утра, когда многие советские люди спешили на работу, а в новостных выпусках, почти каждый час, весь день.

Рис. 6.37. Фотокамера Hasselblad EDC, которой пользовались все лунные экспедиции. 12 таких камер остались на Луне, и только их кассеты с 70–миллиметровой пленкой вернулись на Землю. Каждая кассета содержала 160 кадров цветной или 200 кадров черно — белой пленки.
109:25. Нил осмотрелся и начал описывать пейзаж: «Поверхность блестит и покрыта пылью… Я могу свободно собрать ее носком ноги… Я вижу следы моих ботинок на мелкой песчаной пыли… Вроде здесь передвигаться даже легче, чем на тренажере… Кажется, при передвижении трудностей не будет…» Он поднял голову и увидел Олдрина в окне LM. Базз спокойно ждал, пока командир займется наконец чем‑то серьезным.
Все инструменты для работы на поверхности находятся в наружном отсеке MESA. Но перед первым выходом на Луну фотокамера и тефлоновые пакеты для образцов грунта были в кабине (вдруг MESA заест и не откроется после жесткой посадки), так что сейчас они лежали в сумке на площадке у люка LM. Армстронг натягивает «бельевую веревку» LESO, конец которой он сбросил вниз, выходя из LM, и которая свисала теперь с площадки между трапом и раскрытым MESA. Базз аккуратно спускает по LEC сумку; спустя 4 минуты она внизу; Нил вынимает камеру, прикрепляет ее к груди (2 минуты) и отходит от LM метра на два — фотографировать панораму места посадки (pani). Время первого лунного кадра (AS11-40-5850) — 109:30:53.
Читать дальшеИнтервал:
Закладка: