Дж. Кеоун - OrCAD PSpice. Анализ электрических цепей

Тут можно читать онлайн Дж. Кеоун - OrCAD PSpice. Анализ электрических цепей - бесплатно ознакомительный отрывок. Жанр: Программы, издательство ДМК Пресс, Питер, год 2008. Здесь Вы можете читать ознакомительный отрывок из книги онлайн без регистрации и SMS на сайте лучшей интернет библиотеки ЛибКинг или прочесть краткое содержание (суть), предисловие и аннотацию. Так же сможете купить и скачать торрент в электронном формате fb2, найти и слушать аудиокнигу на русском языке или узнать сколько частей в серии и всего страниц в публикации. Читателям доступно смотреть обложку, картинки, описание и отзывы (комментарии) о произведении.
  • Название:
    OrCAD PSpice. Анализ электрических цепей
  • Автор:
  • Жанр:
  • Издательство:
    ДМК Пресс, Питер
  • Год:
    2008
  • Город:
    Москва, Санкт-Петербург
  • ISBN:
    978-5-9706-0009-2
  • Рейтинг:
    4.63/5. Голосов: 81
  • Избранное:
    Добавить в избранное
  • Отзывы:
  • Ваша оценка:
    • 100
    • 1
    • 2
    • 3
    • 4
    • 5

Дж. Кеоун - OrCAD PSpice. Анализ электрических цепей краткое содержание

OrCAD PSpice. Анализ электрических цепей - описание и краткое содержание, автор Дж. Кеоун, читайте бесплатно онлайн на сайте электронной библиотеки LibKing.Ru

Это руководство по работе в программе OrCAD Pspice предназначено для всех, кто знаком с основными разделами электротехники. При постепенном усложнении задач объясняются все необходимые аспекты работы в OrCAD Pspice, что позволяет творчески применять их при дальнейшем анализе электрических и электронных схем и устройств. Рассмотрение материала начинается с анализа цепей постоянного тока, продолжается анализом цепей переменного тока, затем переходит к различным разделам полупроводниковой электроники. Информация изложена таким образом, чтобы каждый, кто изучал или изучает определенный раздел электротехники, мог сразу же использовать OrCAD Pspice на практике. Больше внимания, чем в других книгах по этой теме, уделяется созданию собственных моделей и использованию встроенных моделей схем в OrCAD Pspice.

На прилагаемом к книге DVD вы найдете демонстрационную версию программы OrCAD PSpice Student Edition 9, которой можно пользоваться свободно. Кроме того, на диске размещена версия OrCAD 10.5 Demo Release, с которой можно работать в течение 30 дней после установки на компьютер.

OrCAD PSpice. Анализ электрических цепей - читать онлайн бесплатно ознакомительный отрывок

OrCAD PSpice. Анализ электрических цепей - читать книгу онлайн бесплатно (ознакомительный отрывок), автор Дж. Кеоун
Тёмная тема
Сбросить

Интервал:

Закладка:

Сделать
Рис 1413 Установки моделирования для Vcontrl1 Проверьте выходной файл на - фото 559

Рис. 14.13. Установки моделирования для Vcontrl1

Проверьте выходной файл на наличие ошибок, затем закройте его и используйте текстовый редактор для распечатки результатов. Выходной файл показан на рис. 14.14. Сравните с ним ваши результаты. Напряжения узлов легко проверить с помощью ручного расчета. Отметим, что без включения команды .ОР информация, выведенная под заголовком VOLTAGE-CONTROLLED VOLTAGE SOURCE (источники напряжения, управляемые напряжением), не была бы отображена.

**** 09/23/99 21:16:56 *********** Evaluation PSpice (Nov 1998) **************

** circuit file for profile: Vcontrl1

*Libraries:

* Local Libraries :

* From [PSPICE NETLIST] section of pspiceev.ini file:

.lib nom.lib

*Analysis directives:

.OP

.PROBE

*Netlist File:

.INC "vcontrol-SCHEMATIC1.net"

*Alias File:

**** INCLUDING vcontrol-SCHEMATIC1.net ****

* source VCONTROL

E_E1 3 0 2 0 2

R_R4 4 0 100

R_R3 3 4 40

R_R2 2 0 1k

R_R1 1 2 250

V_V1 1 0 10V

**** RESUMING vcontrol-SCHEMATIC1-Vcontrl1.sim.cir ****

.INC "vcontrol-SCHEMATIC1.als"

**** INCLUDING vcontrol-SCHEMATIC1.als ****

.ALIASES

E_E1 E1(3=3 4=0 1=2 2=0 )

R_R4 R4(1=4 2=0 )

R_R3 R3(1=3 2=4 )

R_R2 R2(1=2 2=0 )

R_R1 R1(1=1 2=2 )

V_V1 V1(+=1 -=0 )

_ _(1=1)

_ _(2=2)

_ _(3=3)

_ _(4=4)

.ENDALIASES

**** RESUMING vcontrol-SCHEMATIC1-Vcontrl1.sim.cir ****

.END

file for profile: Vcontrl1

**** SMALL SIGNAL BIAS SOLUTION TEMPERATURE = 27.000 DEG С

NODE VOLTAGE NODE VOLTAGE NODE VOLTAGE NODE VOLTAGE

( 1) 10.0000 ( 2) 8.0000 ( 3) 16.0000 ( 4) 11.4290

VOLTAGE SOURCE CURRENTS

NAME CURRENT

V_V1 -8.000E-03

TOTAL POWER DISSIPATION 8.00E-02 WATTS

**** VOLTAGE-CONTROLLED VOLTAGE SOURCES

NAME E_E1

V-SOURCE 1.600E+01

I-SOURCE -1.143Е-01

Рис. 14.14. Выходной файл с результатами анализа источника ИНУН

Сравним директиву из netlist

Е_Е1 3 0 2 0 2

с директивой, описываемой псевдонимами (ALIASES):

E_E1 E1(3=3 4=0 1=2 2=0)

Последняя команда задает номера четырех полюсов (первые номера каждой пары, то есть 3, 4, 1 и 2 ). Очевидно, что полюсы 3 и 4 находятся справа, а полюсы 1 и 2 слева на условном обозначении Capture для Е . Так как мы нумеровали узлы Е слева как 2, 0 и справа как 3, 0 (используя команды Place, Alias), команда псевдонимов задает соответствие. Если вы разберетесь в этой системе соответствий, то расположение и маркировка различных выводов не вызовут у вас никаких сомнений.

Почему необходимо использовать четырехполюсник, чтобы представить зависимый источник? Стандартное условное обозначение (ромб), имеющее только два полюса, не годится для Capture, поскольку в этой программе все связи должны быть отображены графически. Поэтому условное обозначение для Capture должно, кроме выходных полюсов зависимого источника Е, содержать входные полюса, используемые для управления.

Источник тока, управляемый током

Схема смещения для транзисторов (рис. 3.2) представляет собой пример практического использования источника тока управляемого током (ИТУТ — CCCS).

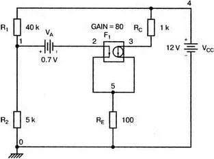
Используйте команды File, New Project, выберите имя Icontrol и задайте в проекте аналоговое моделирование. Разместим компоненты на схеме в следующем порядке: R 1=40 кОм, R 2=5 кОм, R C =1 кОм, R E =100 Ом, F (коэффициент усиления будет установлен позже), V A =0,7 В (параметр, представляющий собой значение V BE в активной области) и V CC =12 В. Параметры взяты из первого примера главы 3. Узлы пронумерованы с помощью команд Place, Netlist, как показано на рис. 14.15. Эта схема содержит, кроме опорного узла GND, еще пять узлов, в то время как на схеме на рис. 3.2 имеется только четыре узла. Для моделирования используйте PSpice, New Simulation Profile с именем Icontrol, запросив опцию .OP так же, как и в предыдущем примере.

Рис 1415 Схема для получения рабочей точки источника тока управляемого - фото 560

Рис. 14.15. Схема для получения рабочей точки источника тока, управляемого током

Сравните схему на рис. 3.2, которая используется для создания входного файла PSpice, со схемой на рис. 14.15, используемой в Capture. Поскольку выходной ток F зависит от тока в какой-либо ветви схемы, входные полюсы F должны быть включены в контур, через который проходит управляющий ток. В нашем случае ток через VA проходит и через полюсы 1 и 2 четырехполюсника ИТУТ. Выходные полюсы включены в цепь коллекторного тока.

Задайте параметры компонентов, затем дважды щелкните на поле F1. Задайте коэффициент усиления равным 80 и убедитесь, что на дисплее рядом с обозначением ИТУТ появилась надпись GAIN=80. После нумерации узлов согласно рисунку (с помощью Place, Netlist) сохраните окончательную версию рисунка, затем для моделирования выберите PSpice, New Simulation Profile. Выберите имя Icontrl1 и включите опцию .OP.

Проведите моделирование и сравните ваши результаты с показанными на рис. 14.16. В выходном файле напряжения узлов такие же, как и в главе 3. Номера узлов не такие, как в примере главы 3, поскольку в Capture необходимо обозначить еще один узел. Решение для цепи смещения, использующее .ОР, выводит все токи источника. Ток VF_F1 представляет собой ток базы, равный 50,47 мкА, как и ток V_VA. Ток источника F равен коллекторному току, который проходит через резистор R C , и составляет 4,039 мА.

**** 09/24/99 15:01:11 *********** Evaluation PSpice (Nov 1998) *********

** circuit file for profile: Icontrl1

*Libraries:

* Local Libraries :

* From [PSPICE NETLIST] section of pspiceev.ini file:

.lib nom.lib

*Analysis directives:

.OP

.PROBE

*Netlist File:

.INC "icontrol-SCHEMATIC1.net"

*Alias File:

**** INCLUDING icontrol-SCHEMATIC1.net ****

* source ICONTROL

F_F1 3 5 VF_F1 80

VF_F1 2 5 0V

V_VCC 4 0 12V

V_VA 1 2 0.7V

R_RE 5 0 100

R_RC 4 3 1k

R_R2 1 0 5k

R_R1 4 1 40k

**** RESUMING icontrol-SCHEMATIC1-Icontrl1.sim.cir ****

.INC "icontrol-SCHEMATIС1.als"

**** INCLUDING icontrol-SCHEMATIC1.als ****

.ALIASES

F_F1 F1(3=3 4=5 )

VF_F1 F1(1=2 2=5 )

V_VCC VCC(+=4 -=0 )

V_VA VA(+=1 -=2 )

R_RE RE(1=5 2=0 )

R_RC RC(1=4 2=3 )

R_R2 R2(1=1 2=0 )

R_R1 R1(1=4 2=1 )

_ _(1=1)

_ _(2=2)

_ _(3=3)

_ _(4=4)

_ _(5=5)

.ENDALIASES

**** RESUMING icontrol-SCHEMATIC1-Icontrl1.sim.cir ****

.END

** circuit file for profile: Icontrl1

**** SMALL SIGNAL BIAS SOLUTION TEMPERATURE = 27.000 DEG С

NODE VOLTAGE NODE VOLTAGE NODE VOLTAGE NODE VOLTAGE

( 1) 1.1089 ( 2) .4069 ( 3) 7.9610 ( 4) 12.0000

( 5) .4089

VOLTAGE SOURCE CURRENTS

NAME CURRENT

VF_F1 5.049E-05

V_VCC -4.311E-03

V_VA 5.049E-05

TOTAL POWER DISSIPATION 5.17E-02 WATTS

**** CURRENT-CONTROLLED CURRENT SOURCES

NAME F_F1

I-SOURCE 4.039E-03

Рис. 14.16. Выходной файл с результатами анализа ИТУТ

Читать дальше
Тёмная тема
Сбросить

Интервал:

Закладка:

Сделать


Дж. Кеоун читать все книги автора по порядку

Дж. Кеоун - все книги автора в одном месте читать по порядку полные версии на сайте онлайн библиотеки LibKing.




OrCAD PSpice. Анализ электрических цепей отзывы


Отзывы читателей о книге OrCAD PSpice. Анализ электрических цепей, автор: Дж. Кеоун. Читайте комментарии и мнения людей о произведении.


Понравилась книга? Поделитесь впечатлениями - оставьте Ваш отзыв или расскажите друзьям

Напишите свой комментарий
x