Иван Никитко - Водоснабжение, канализация и отопление загородного дома
- Название:Водоснабжение, канализация и отопление загородного дома
- Автор:
- Жанр:
- Издательство:Издательство «Питер»046ebc0b-b024-102a-94d5-07de47c81719
- Год:2013
- Город:Санкт-Петербург
- ISBN:978-5-496-00463-3
- Рейтинг:
- Избранное:Добавить в избранное
-
Отзывы:
-
Ваша оценка:
Иван Никитко - Водоснабжение, канализация и отопление загородного дома краткое содержание
Налаженное функционирование систем водоснабжения, канализации и отопления – это комфорт и удобство всех проживающих в доме. И если даже не требуется вашего непосредственного участия в монтажных работах (практически все действия подобного типа должны выполняться специалистами, имеющими соответствующие лицензии), все равно необходимы пристальное внимание и контроль. Ведь от того, как будут налажены эти системы, зависит многое, в том числе и уровень эксплуатационных расходов. Поэтому будьте внимательны, подходите к вопросам водоснабжения, канализации и отопления со всей тщательностью и ответственностью. И пусть в вашем доме будет тепло и уютно.
Водоснабжение, канализация и отопление загородного дома - читать онлайн бесплатно ознакомительный отрывок
Интервал:
Закладка:
Таблица 3.2.
Требуемое сечение кабеля для электрокотла [8]

Таблица 3.3.
Допустимый ток предохранительных автоматов [9]

Кавитационный теплогенератор
Относительно недавно появился еще один вариант отопительного оборудования: кавитационные теплогенераторы . Сам эффект кавитации известен более ста лет – образование «разрывов» в жидкости в результате местного (локального) понижения давления, то есть образование огромного количества воздушных пузырьков. Когда эти пузырьки «схлопываются», выделяется огромное количество энергии и жидкость нагревается.
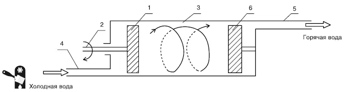
Главным узлом кавитационного теплогенератора является кавитатор – именно там происходит образование пузырьков. Вода проходит через кавитатор, нагревается под воздействием кавитационных процессов, затем поступает в радиаторы, после прохождения воды через радиаторы температура снижается и цикл начинается заново (Рис. 3.21). КПД такого теплогенератора очень высок: от 90 до 400 %, при этом могут нагреваться большие объемы воды с использованием минимальной мощности (именно кавитационные процессы создают сверхпроизводительность теплогенератора).

Рис. 3.21.Кавитационный теплогенератор: 1 – привод от электродвигателя; 2 – зона нагрева; 3 – вход теплоносителя; 4 – выход нагретого теплоносителя
С точки зрения продолжительности эксплуатации лучше, если кавитатор отделен от рабочей камеры устройства, создающего условия для возникновения кавитации. Например, в теплогенераторах роторного типа ротор непосредственно соприкасается с жидкостью (Рис. 3.22).
При этом процесс кавитации ведет к разрушению рабочей поверхности ротора, и несмотря на то, что теплогенераторы роторного типа эффективнее, срок их службы непродолжителен. Теплогенераторы, в которых процессы кавитации происходят в отдельной камере кавитатора, а насос является внешним устройством, обладают несколько меньшей эффективностью, зато гораздо более длительным сроком эксплуатации.

Рис. 3.22.Кавитатор роторного типа:1 – ротор; 2 – вал ротора; 3 – рабочая камера; 4 – входной патрубок рабочей камеры; 5 – выходной патрубок рабочей камеры; 6 – тормозное устройство
Кроме сверхпроизводительности, кавитационный теплогенератор имеет весьма существенный плюс: он не требует топлива как такового. Фактически топливом для него служит рабочая жидкость (чаще всего вода), которую «заставляет работать» тем или иным образом электродвигатель (это может быть создание вихревых закрученных потоков, повышение/понижение давления за счет изменения скорости протекания жидкости и т. д.).
Кавитационный теплогенератор очень просто монтируется в систему отопления (Рис. 3.23), его работа может быть полностью автоматизирована, он экологически безопасен, не требует наличия дымохода и дополнительной звукоизоляции помещения котельной. Кроме того, кавитационный генератор не слишком дорог.
К минусам кавитационного теплогенератора относятся электрозависимость (нет электричества – не работает электродвигатель, насос – и нет работы генератора), высокая стоимость электродвигателя, привода ротора или насоса, а также низкая ремонтопригодность – из-за недостатка специалистов, которые способны помочь в случае поломки оборудования. Правда, существуют кавитационные теплогенераторы, имеющие уникальную гарантию: 25–50 лет с момента запуска (для сравнения: газовые и твердотопливные котлы обычно имеют гарантию до 3 лет с момента запуска). Так что есть шанс, что до выработки теплогенератором гарантийного ресурса появятся и специалисты по данному оборудованию.
Универсальные (многотопливные) котлы
При выборе отопительного оборудования следует помнить, что любой прибор может сломаться. Поэтому оптимально, если в загородном доме имеется не один отопительный котел, а два, работающие на разных видах топлива, при этом один котел устанавливается в качестве основного, а второй – вспомогательного, который подключается лишь тогда, когда с основным возникли какие-то проблемы. С одной стороны подобный подход выглядит излишней перестраховкой – отопительные котлы не так часто выходят из строя, да и стоит оборудование не слишком дешево, чтоб тратить деньги на «мертвый груз», который может и не потребоваться долгое время. Но с другой стороны, только представьте, что именно ваш котел «решил» сломаться, да еще зимой, а мастера придется ждать минимум несколько дней.

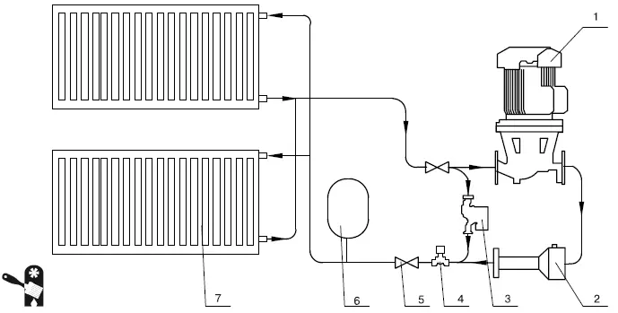
Рис. 3.23.Подключение кавитационного теплогенератора в систему отопления:1 – основной насос; 2 – кавитатор; 3 – циркуляционный насос; 4 – электромагнитный клапан; 5 – запорная арматура; 6 – мембранный расширительный бак; 7 – радиатор отопления
Однако, даже если котел не сломался, а благополучно работает, все равно могут возникнуть проблемы, требующие подключения вспомогательного оборудования. Причиной подобного может быть, к примеру, недоступность топлива. В сельской местности падение давления газа в магистрали не исключение, а скорее правило. Так же, как и возможные сбои в поставке газа, различные аварии на магистрали или отключение электричества. В таких случаях резервное отопительное оборудование, работающее на другом виде топлива, становится из роскоши прямой необходимостью.
Есть и еще один нюанс: изменяющаяся цена на различные виды топлива. На сегодняшний день электричество – самый дорогой вариант, но и цены на газ (самый дешевый в настоящее время вид топлива) растут, а цена на солярку такова, что проще установить электрический котел (по крайней мере имеются периоды, когда на электричество действует льготный тариф для отопления, а вот на солярку льготных тарифов нет). Но завтра ситуация может измениться. И подорожает, к примеру, твердое топливо. И котел, сегодня вполне удовлетворяющий требованиям эксплуатационных расходов – удобный и экономичный, начнет «выжигать» громадные дыры в семейном бюджете. Замена котла, модернизация системы отопления под новый тип отопительного оборудования – дело не пяти минут, да и не слишком дешевое. Другое дело, если заранее предусмотреть установку альтернативного оборудования с возможностью переключения с одного котла на другой при необходимости. Это повышает затраты на стадии организации отопления загородного дома, зато одновременно значительно возрастает надежность системы отопления, а также экономичность эксплуатации (всегда можно выбрать именно тот вид топлива, который будет наиболее экономичным на сегодняшний день).
Читать дальшеИнтервал:
Закладка: