Василий Трояновский - Ремонт часов

Тут можно читать онлайн Василий Трояновский - Ремонт часов - бесплатно полную версию книги (целиком) без сокращений. Жанр: Справочники, издательство Машгиз, год 1961. Здесь Вы можете читать полную версию (весь текст) онлайн без регистрации и SMS на сайте лучшей интернет библиотеки ЛибКинг или прочесть краткое содержание (суть), предисловие и аннотацию. Так же сможете купить и скачать торрент в электронном формате fb2, найти и слушать аудиокнигу на русском языке или узнать сколько частей в серии и всего страниц в публикации. Читателям доступно смотреть обложку, картинки, описание и отзывы (комментарии) о произведении.

Василий Трояновский - Ремонт часов краткое содержание

Ремонт часов - описание и краткое содержание, автор Василий Трояновский, читайте бесплатно онлайн на сайте электронной библиотеки LibKing.Ru
В книге рассматриваются вопросы устройства и ремонта основных типов часов и часовых механизмов, выпускаемых отечественной промышленностью, изложены отдельные теоретические вопросы, связанные с конструкцией и работой часовых механизмов, а также указан принцип организации производства по ремонту часов.
Книга «Ремонт часов» предназначена для лиц, занимающихся ремонтом часов.

Ремонт часов - читать онлайн бесплатно полную версию (весь текст целиком)

Ремонт часов - читать книгу онлайн бесплатно, автор Василий Трояновский
Тёмная тема
Сбросить

Интервал:

Закладка:

Сделать

Контактные группы 2 служат для посылки каждую минуту импульсов тока ко вторичным часам с минутным отсчетом времени. Пятикулачковой шайбой 4 попеременно включается правая или левая контактная система. Рычаг 3 предназначен для посылки импульсов тока в часовую сеть с минутным отсчетом времени от руки. Для посылки импульсов рычаг поворачивается на некоторый угол вправо и влево.

К клеммной платине 1 присоединяют провода питания и линий. Контактное устройство 8 включает импульс тока каждую секунду. Для этой цели используется рычаг 7 , сидящий на одной оси со спусковым устройством механизма.

Контактная группа закреплена хомутиком 5 к межплатинной колонке 6 . Это контактная группа имеет три пружины. Положение средней пружины регулируется винтом 9 .

Часы с минутным отсчетом времени осуществляют также автоматическую посылку в сеть вторичных часов импульсов, пропущенных в случае перерыва подачи питающего тока. При этом все вторичные часы автоматически устанавливаются на правильное время. Автоматическое исправление показаний вторичных часов возможно в тех случаях, когда перерыв подачи электроэнергии не превышает 12 час.

Если напряжение источника тока опускается ниже 19 в, часы автоматически прекращают посылку импульсов в сеть вторичных часов с минутным отсчетом. Этим исключается возможность расхождения в показаниях вторичных часов вследствие недостаточного напряжения на зажимах их электромагнитов.

Вторичные часы устанавливаются на различном расстоянии от центральной часовой станции. Падение напряжения часовой сети между отдельными часами будет различным.

Контакты, включающие цепь тока вторичных часов с минутным отсчетом времени, замыкаются 1 раз в минуту на 2 сек., а контакты, включающие цепь часов с секундным отсчетом, замыкаются каждую секунду на 0,7–0,8 сек.

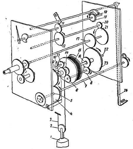
Схематическое устройство механизма часов показано на фиг. 239.

Фиг 239 Устройство механизма часов ЭПЧГ Гиря 1 с блоком 2 висит на струне 3 - фото 231

Фиг. 239. Устройство механизма часов ЭПЧГ.

Гиря 1 с блоком 2 висит на струне 3 , намотанной на барабане 15 планетарной передачи. Второй конец струны прикреплен к корпусу механизма. Длина струны такова, что часы могут работать без поднятия гири в течение 12 час.

Струна представляет собой специально обработанную жилу или пластмассовую нить. Всего на барабане намотано девять витков струны.

В течение 58 сек. ось 5 , а также колеса 4 и 9 остаются неподвижными. Колесо 9 с помощью муфты связано с колесом 14 . Ось 22 не имеет жесткой связи с надетыми на ней колесами и планетарной передачей, на барабане которой расположено колесо 6 , имеющее общую ось с колесом 8 . Особенность планетарной передачи заключается в том, что колеса, связанные с барабаном, совершают поступательно-возвратное движение. Возникающее под действием силы тяжести гири движение барабана передастся колесам 8 и 6 . От колеса 8 движение передается колесу 16 , связанному с ним колесу 23 и колесу 17 , расположенному на минутной оси, затем движение передается через колеса 21, 20, 12 и 11 спусковому колесу 19 .

Перечисленные колеса удерживаются палетами спусковой скобы 18 , захватывающими зубья колеса 19 . В данном механизме двигателем является гиря. Система колес представляет собой передаточный механизм, спусковая скоба 18 с палетами и спусковое колесо являются спуском. Спусковую скобу устанавливают на одной оси с вилкой 24 , соединенной с маятником.

В рассматриваемых часах при опускании гири до предела дальнейшее движение ее стопорится приспособлением планетарной передачи. При этом зуб спускового колеса не успевает сойти с плоскости импульса палеты, а маятник начинает возвращаться. Палета упирается в зуб и вызывает смещение спусковой скобы на оси 7 , вследствие чего нарушается регулировка хода. В таких случаях необходимо исправлять от руки регулировку положения палеты относительно зубьев спускового колеса.

На фиг. 240 показаны спусковая скоба с налетами, вилка, спусковое колесо и стержень маятника.

Фиг 240 Спусковое колесо со спусковой скобой Спусковое колесо 1 имеет 30 - фото 232

Фиг. 240. Спусковое колесо со спусковой скобой.

Спусковое колесо 1 имеет 30 зубьев и при каждом колебании маятника поворачивается на половину шага зуба. Регулировка положения палет 2 и 3 относительно зубьев анкерного колеса 1 может быть выполнена перемещением эксцентриковой втулки 7 на стержне маятника 6 .

Поворачивая втулку в одну из сторон, производим перемещение вилки 5 относительно стержня маятника и одновременно поворачиваем спусковую скобу 4 , регулируя положение палет.

Регулировка правильности взаимодействия спускового устройства требует соответствующего навыка и соответствующего инструмента. Нижняя часть вилки имеет форму, показанную на фиг. 240 слева. Скоба охватывает эксцентриковую втулку 7 , которую можно поворачивать по направлению стрелки вправо и влево.

Положение палет в коромысле спусковой скобы также регулируется.

В зависимости от того, на сколько выдвинуты налеты в сторону спускового колеса, изменяется их зацепление с зубьями. Различают мелкий и глубокий ход. Мелким ходом называют такую регулировку, при которой путь перемещения зуба колеса по плоскости покоя невелик, а глубокий ход — наоборот.

Мелкий ход может привести к проскакиванию двух зубьев и более, что нарушает правильность работы часов. Амплитуда колебаний маятника в этом случае также невелика. При глубоком ходе амплитуда колебаний маятника должна быть значительной, с тем чтобы палеты освобождали зубья спускового колеса и последнее сообщало маятнику импульс силы. Палеты выполнены таким образом, что при износе импульсных поверхностей их можно поменять местами, используя для работы их обратную сторону.

Положение спусковой скобы, а следовательно, и положение палет относительно спускового колеса регулируется эксцентриковой втулкой. При неправильной регулировке положения эксцентриковой втулки палеты могут по-разному располагаться относительно зубьев спускового колеса, что может привести к нарушению правильности работы спускового устройства и часового механизма в целом. Поворотом втулки 7 регулируется равномерность зацепления палет. Для контроля правильности действия спускового устройства устроены специальные отверстия в передней платине механизма, расположенные выше оси секундной стрелки.

Читать дальше
Тёмная тема
Сбросить

Интервал:

Закладка:

Сделать


Василий Трояновский читать все книги автора по порядку

Василий Трояновский - все книги автора в одном месте читать по порядку полные версии на сайте онлайн библиотеки LibKing.




Ремонт часов отзывы


Отзывы читателей о книге Ремонт часов, автор: Василий Трояновский. Читайте комментарии и мнения людей о произведении.


Понравилась книга? Поделитесь впечатлениями - оставьте Ваш отзыв или расскажите друзьям

Напишите свой комментарий