А. Лебедев - Анатомия стиральных машин

Тут можно читать онлайн А. Лебедев - Анатомия стиральных машин - бесплатно ознакомительный отрывок. Жанр: Справочники, издательство СОЛОН-ПРЕСС, год 2008. Здесь Вы можете читать ознакомительный отрывок из книги онлайн без регистрации и SMS на сайте лучшей интернет библиотеки ЛибКинг или прочесть краткое содержание (суть), предисловие и аннотацию. Так же сможете купить и скачать торрент в электронном формате fb2, найти и слушать аудиокнигу на русском языке или узнать сколько частей в серии и всего страниц в публикации. Читателям доступно смотреть обложку, картинки, описание и отзывы (комментарии) о произведении.
  • Название:
    Анатомия стиральных машин
  • Автор:
  • Жанр:
  • Издательство:
    СОЛОН-ПРЕСС
  • Год:
    2008
  • Город:
    Москва
  • ISBN:
    978-5-91359-028-2
  • Рейтинг:
    4/5. Голосов: 121
  • Избранное:
    Добавить в избранное
  • Отзывы:
  • Ваша оценка:
    • 80
    • 1
    • 2
    • 3
    • 4
    • 5

А. Лебедев - Анатомия стиральных машин краткое содержание

Анатомия стиральных машин - описание и краткое содержание, автор А. Лебедев, читайте бесплатно онлайн на сайте электронной библиотеки LibKing.Ru

Настоящая книга содержит базовые сведения об устройстве бытовых автоматических стиральных машин барабанного типа. Особенность книги — это описание работы практически каждого узла стиральной машины. В книге также приводятся минимально необходимые сведения по поиску и устранению простых (типовых) неисправностей. Впервые приведены материалы по капитальному ремонту: замене подшипников и уплотнений. Показана технология замены щеток в коллекторных моторах. В приложении к книге есть некоторые схемы как современных стиральных машин, так и выпускавшихся ранее. По этим схемам можно проследить эволюцию развития схемотехники стиральных машин.

Книга предназначена для широкого круга читателей, интересующихся устройством бытовых автоматических стиральных машин. Также книга будет полезна в качестве учебного пособия для учащихся учебных заведений соответствующего профиля и для начинающих мастеров.

Анатомия стиральных машин - читать онлайн бесплатно ознакомительный отрывок

Анатомия стиральных машин - читать книгу онлайн бесплатно (ознакомительный отрывок), автор А. Лебедев
Тёмная тема
Сбросить

Интервал:

Закладка:

Сделать

Материалом для изготовления всех в может служить любая сталь или дюралюминий, а болт 3 , гайку, опорную шайбу и вставки-вкладыши рекомендуется делать из прочной стали. На всех деталях, кроме стакана, нужно при изготовлении снять небольшие фаски по 0,5 мм и под углом 45 градусов.

При замене готовых сборных узлов вращения применяют другое приспособление. Чертеж (эскиз) этого съемника показан на рис. 18.9.

Рис 189 Чертежи приспособлений для снятия готовых углов вращения Деталей в - фото 268

Рис. 18.9. Чертежи приспособлений для снятия готовых углов вращения

Деталей в нем немного: пластина с отверстием диаметром 7 миллиметров и две шпильки с резьбой 6 мм. Гайки и шайбы используются стандартные.

Расскажем, как работать с таким съемником.

В данном случае сборные узлы вращения имеют отверстия с резьбой 6 мм для шпилек. Сначала отвинчивают винты, которыми крепится узел. Затем ввинчивают обе шпильки с помощью отвертки — для этого на концах шпилек сделаны шлицы. Чтобы при снятии узла не повредить полуось, в нее ввинчивают так называемый защитный болт. Затем на шпильки устанавливают пластину и начинают поочередно затягивать гайки. При этом по центру пластины легонько постукивают молотком, затем снова подтягивают гайки. Таким образом подшипник узла вращения потихоньку «сползает» с полуоси. На рис. 18.10 этот процесс также показан.

Рис 1810 Пример использования приспособлении для снятия готовых узлов - фото 269

Рис. 18.10. Пример использования приспособлении для снятия готовых узлов вращения

Если в готовом сборном узле разрушается сепаратор подшипника, то его втулка остается на полуоси. В таком случае втулку спиливают «болгаркой».

При установке новых узлов посадочные места полуосей шлифуют полоской наждачной бумаги так, чтобы новый узел насаживался на полуось с небольшим усилием. Нужно принять во внимание: у некоторых моделей СМА болт, которым закрепляется шкив, может быть «посажен» на замазку. В этом случае болт надо хорошо прогреть, чтобы замазка расплавилась. Иначе головку болта можно сорвать, и тогда придется высверливать остатки и исправлять резьбу.

При запрессовке новых подшипников внутренняя поверхность посадочного места протирается смоченной в бензине тканью и затем наносится немного смазки типа «Литол». Для запрессовки применяют те же приспособления.

Если сальники имеют выступающие рабочие кромки, то при их запрессовке необходимо использовать вставки, в которых сделаны проточки и углубления соответствующего диаметра и глубины. В рабочие канавки сальниковых манжет и под рабочие кромки перед установкой наносят немного смазки типа «Литол». Подобное мероприятие позволит существенно продлить срок службы уплотнения.

При снятии шкивов, которые закрепляются на полуоси без резьбы (на шлицах или на накатке), применяют съемники, показанные на рис. 18.11.

При этом в полуось также необходимо ввинтить защитный болт.

Рис 1811 Съемники для снятия шкивов 19 Приложение Сборник электросхем - фото 270

Рис. 18.11. Съемники для снятия шкивов

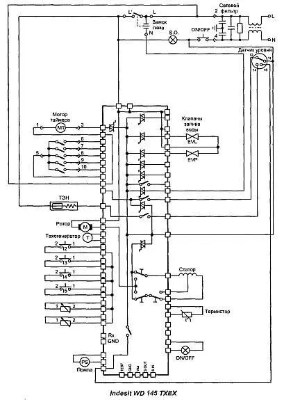
19. Приложение

Сборник электросхем стиральных машин
Анатомия стиральных машин - фото 271 Анатомия стиральных машин - фото 272 Анатомия стиральных машин - фото 273 Анатомия стиральных машин - фото 274 Анатомия стиральных машин - фото 275 Анатомия стиральных машин - фото 276 Анатомия стиральных машин - фото 277 Анатомия стиральных машин - фото 278 Анатомия стиральных машин - фото 279 Анатомия стиральных машин - фото 280 Анатомия стиральных машин - фото 281 Анатомия стиральных машин - фото 282 Анатомия стиральных машин - фото 283 Анатомия стиральных машин - фото 284 Анатомия стиральных машин - фото 285 Анатомия стиральных машин - фото 286 Анатомия стиральных машин - фото 287 Анатомия стиральных машин - фото 288 Анатомия стиральных машин - фото 289 Анатомия стиральных машин - фото 290 Анатомия стиральных машин - фото 291 Анатомия стиральных машин - фото 292 Анатомия стиральных машин - фото 293 Анатомия стиральных машин - фото 294 Анатомия стиральных машин - фото 295 Анатомия стиральных машин - фото 296 Анатомия стиральных машин - фото 297 Анатомия стиральных машин - фото 298 Анатомия стиральных машин - фото 299 Анатомия стиральных машин - фото 300 Анатомия стиральных машин - фото 301 Анатомия стиральных машин - фото 302 Анатомия стиральных машин - фото 303 Анатомия стиральных машин - фото 304 Анатомия стиральных машин - фото 305 Анатомия стиральных машин - фото 306 Таблица 122 Типы клиновых ремней применяющихся в некоторых моделях СМА - фото 307 Таблица 122 Типы клиновых ремней применяющихся в некоторых моделях СМА - фото 308 Таблица 122 Типы клиновых ремней применяющихся в некоторых моделях СМА - фото 309
Таблица 12.2 Типы клиновых ремней, применяющихся в некоторых моделях СМА
20 Обозначения основных элементов на электросхемах СМА Обозначения основных эл - фото 310 20 Обозначения основных элементов на электросхемах СМА Обозначения основных - фото 311 20 Обозначения основных элементов на электросхемах СМА Обозначения основных - фото 312

20. Обозначения основных элементов на электросхемах СМА

Читать дальше
Тёмная тема
Сбросить

Интервал:

Закладка:

Сделать


А. Лебедев читать все книги автора по порядку

А. Лебедев - все книги автора в одном месте читать по порядку полные версии на сайте онлайн библиотеки LibKing.




Анатомия стиральных машин отзывы


Отзывы читателей о книге Анатомия стиральных машин, автор: А. Лебедев. Читайте комментарии и мнения людей о произведении.


Понравилась книга? Поделитесь впечатлениями - оставьте Ваш отзыв или расскажите друзьям

Напишите свой комментарий
Сергей
14 марта 2026 в 08:24
Страница 2. Утверждение, что 1 Ньютон = 1 кгс - неверно. 1 Ньютон ~ = 0,1 кгс