Евгений Карнаухов - Телевизионные антенны. Индивидуальное водяное отопление...(Сделай сам №3-4∙1993)
- Название:Телевизионные антенны. Индивидуальное водяное отопление...(Сделай сам №3-4∙1993)
- Автор:
- Жанр:
- Издательство:Знание
- Год:1993
- Город:Москва
- ISBN:5-07-002637-2
- Рейтинг:
- Избранное:Добавить в избранное
-
Отзывы:
-
Ваша оценка:
Евгений Карнаухов - Телевизионные антенны. Индивидуальное водяное отопление...(Сделай сам №3-4∙1993) краткое содержание
Вторая статья дает исчерпывающую информацию об индивидуальном водяном отоплении, о преимуществах такого отопления по сравнению с печным, когда необходим обогрев нескольких помещений, вне зависимости от этажности.
Третья статья адресована нашим маленьким читателям. Из нее они узнают, как из материала, дарованного нам природой, сделать многие потешные, а то и серьезные самоделки.
Четвертая статья приоткроет секреты и тайны народной фитотерапии (траволечения).
Телевизионные антенны. Индивидуальное водяное отопление...(Сделай сам №3-4∙1993) - читать онлайн бесплатно полную версию (весь текст целиком)
Интервал:
Закладка:
Бак на чердаке обезопасьте от подмерзания не только утеплением. Пониже сигналки, учитывая горизонтальный уровень, подключите еще одну трубу, циркуляционную. Второй конец циркуляционной подсоедините к ближайшей трубе стояка, соединяемого с обратной линией. Температура воды в баке будет поднята. Помимо этого, циркуляционная труба способствует интенсификации движения воды, что важно для индивидуальных систем с естественной циркуляцией. Отопительные приборы стремительнее прогреваются.
Устанавливать расширительный бак со всей гаммой труб на чердаке рекомендуется до покрытия дома крышей, если он строится.
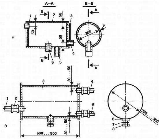
Их монтируют, когда требуется энергичное отделение воздуха от воды (рис. 28). Действуют баки на принципе замедления скорости воды. Как уже упоминали, при этом шарики воздуха выкатываются из воды. При меняют баки, например, при нижней разводке.

Рис. 28. Расширительные баки проточного типа:
а — с вертикальной подводкой главного стояка; 1— патрубок воздушной и переливной трубы; 2— бак; 3— водомерное стекло; 4— патрубок разводящего трубопровода; 5— спускная труба; 6— патрубок главного стояка;
б — с горизонтальной подводкой главного стояка; 1— патрубок главного стояка; 2— муфта; 3— бак; 4— воздушная и переливная труба; 5— разводящий трубопровод; 6— патрубок спускной трубы; 7— прокладка; 8— пробка
Бак герметичен. О том, что в нем происходит, можно выяснить через подсоединенные трубы. На них не разрешается ставить запорную или регулировочную арматуру. Представьте, что вы забыли открыть вентиль или кран на главном стояке, если вопреки запрету смонтировали. Во-первых, это излишнее гидравлическое сопротивление даже при полностью открытом, скажем, кране. Во-вторых, подогреваемая вода расширяется. Куда ей деваться? В обратную линию? Или взорвать котел?
Конструкция
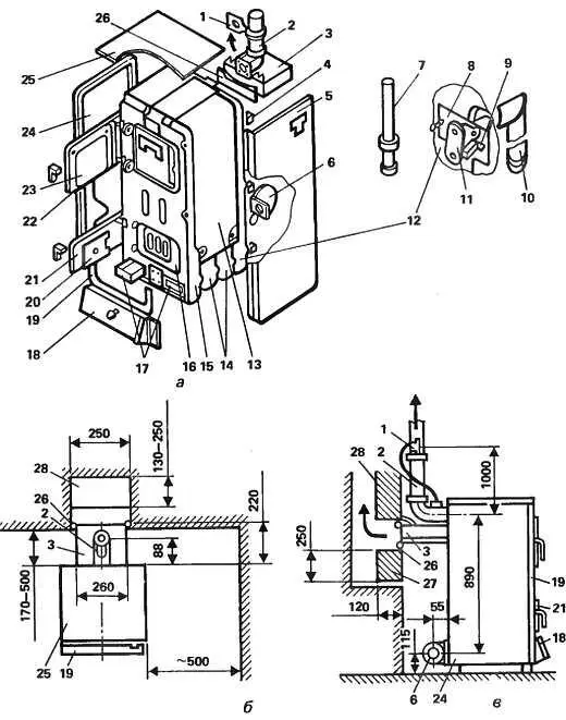
К конструкции котлов предъявляются определенные требования, учитывающие их назначения. Одновременно покажем, для примера, как удовлетворяются эти требования в котлах модели КЧМ-2М «Жарок-2» (рис. 29).

Рис. 29. Отопительный котел КЧМ-2 «Жарок-2»:
а — котел с частично отсоединенными деталями; б — установка котла в плане; в — подсоединение котла к дымоходу; 1— термобаллон манометрического термометра; 2— отвод горячей воды по главному стояку; 3— патрубок газохода; 4планка крепления стенки кожуха; 5— правая стенка кожуха; 6— отвод к обратной магистрали; 7— стеклянный термометр с оправкой; 8— панель; 9— скоба; 10— воздуховод; 11— заслонка; 12— задняя секция; 13— теплоизоляционное полотно; 14— средняя секция; 15— лобовая секция; 16— шуровочная решетка; 17— зольниковый ящик; 18— воздухосборник; 19— передняя стенка кожуха; 20— отражатель; 21— нижняя дверка; 22— верхняя дверка; 23— отражатель; 24— левая стенка кожуха; 25— крышка кожуха; 26— асбестовый шнур; 27— заглушка; 28— дымоход
1 Возможность сжигания от печного бытового топлива типа сучьев, дров до угля, кокса, брикетов и после переоснащения — газа и жидких горючих материалов.
2 Температура в помещении не должна резко опускаться на период прекращения добавки топлива, скажем, в ночное время. То есть продолжительность рабочего цикла в режиме длительного горения должна укладываться в 8…12 ч. У названной модели эта продолжительность на антраците и каменных углях с зольностью до 20 % и влажностью до 13 % составляет не менее 12 ч при выходе летучих компонентов до 17 %. А если выход летучих компонентов в каменных и бурых углях повышается до 50 %, то продолжительность рабочего цикла в режиме длительного горения сокращается по 8 ч, что едва покрывает ночной отдых.
3. В вытяжной трубе должна быть тяга, не допускающая выбивание дыма в помещение. Для котлов теплопроизводительностью до 25 кВт необходимая тяга от 1,7 Па (1,7 мм вод. столба). Практически это означает, что дымоход в сечении имеет не менее 130x250 мм, вертикален, гладок, без трещин и сужений, пролегает во внутренней капитальной стене. Допустима и отдельная кирпичная труба, установленная с соблюдением всех правил противопожарной безопасности. Они подробно изложены дальше. От колосников котла высота трубы обязана быть более 5 м и выступать над коньком крыши более чем на 0,5 м. Это минимум, если нет рядом высоких деревьев или домов, которые создают зоны ветрового подпора. Для котлов мощностью от 25 до 50 кВт сечение дымохода возрастает до 250x250 мм.
4. Каналы в котле для теплоносителя должны обладать минимальным гидравлическим сопротивлением, что гарантирует использование котла в системах отопления с естественной циркуляцией. Запрещается установка на обратной и подающих магистралях запорно-регулирующей арматуры. Это, понятно, не относится к вспомогательным магистралям, в частности, для подпитки и спуска теплоносителя из системы отопления (см. рисунки 1…6 одно- и двухтрубных систем отопления). По мере эксплуатации каналы котла, трубопроводы системы, отопительные приборы, расширительный бак периодически очищайте и промывайте. На лето систему непременно оставляйте с водой, что резко снизит коррозию внутренних поверхностей.
5 Подбор нужного типоразмера котла для обеспечения минимального расхода топлива при высоком КПД можно осуществить по укрупненным данным табл. 3, в которой приведен и годовой расход сортированного антрацита в зависимости от объема отапливаемого помещения.
6. Минимальные габариты при наинизшем расположении центра нагрева — необходимые особенности котла. Приведены технические характеристики котлов разных заводов в табл. 3 и 4.
Таблица. 3.
Примечания: а)тепловая мощность определяется при сжигании антрацита Донецкого бассейна (по ГОСТ 8188-74 класса 25–50); б)в режиме длительного горения тепловая мощность снижается при работе на антраците до 25 %, при работе на каменном угле с выходом летучих до 17 % — на 30…35 %, при работе на каменном и буром углях с выходом летучих до 50 % — на 35…40 %, в)в таблице показаны лишь котлы наименьшей тепловой мощности, рассчитанные на обогрев квартиры или индивидуального дома и небольших вспомогательных помещений: гаража, мастерской и т. п. Братский завод отопительного оборудования выпускает котлы типа КЧМ-2М «Жарок 2» тепловой мощностью до 55,5 кВт. Наибольшее количество секций в них 9. Зато Каунасский завод сантехизделий производит котлы с тепловой мощностью до 71.5 кВт, имеющие до 12 секций включительно. Тип КЧМ-2УЭ «Каунас» не оснащен передней панелью декоративного кожуха, как тип КЧМ-2У «Каунас».
Читать дальшеИнтервал:
Закладка: